- Конденсатовідвідники
-
- Конденсатовідвідники
- Конденсатовідвідники термодинамічні
- Конденсатовідвідники поплавкові
- Конденсатовідвідники з перевернутим стаканом
- Конденсатовідвідники термостатичні
- Конденсатовідвідники біметалічні
- Конденсатовідвідники для систем стисненого повітря
- Супутнє обладнання для конденсатовідвідників
- Конденсатовідвідники та модульні вузли на універсальних з'єднаннях
- Регулятори тиску
- Регулюючі клапани
-
- Регулюючі клапани
- Двоходові регулюючі клапани
- Триходові регулюючі клапани
- Запірні клапани
- Клапани постійної та періодичної продувки котлів
- Пневматичні та електричні приводи
- Контролери, датчики, фільтри-редуктори, перетворювачі та позиціонери
- Регулятори температури прямої дії
- Перепускні байпасні клапани / Перепускні регулятори тиску
- Котлове та спеціальне обладнання
-
- Котлове та спеціальне обладнання
- Сепаратори пара та стисненого повітря
- Кожухотрубні та пластинчасті теплообмінники та трубчасті підігрівачі
- Охолоджувачі відбору проб
- Парові інжектори та установки підігріву води шляхом інжекції
- Віддільник пари вторинного скипання
- Ємності для продувки котлів / Сепаратори продувки котлів
- Вентиляційні головки
- Охолоджувач гарячого конденсату
- Ємності для підйому конденсату / Гасник гідроударів
- Змішувачі пароводяні та пістолети-розпилювачі
- Вказівники рівня / Магнітні покажчики рівня рідини
- Механічні насоси та станції
- Арматура та контрольно вимірювальні прилади
-
- Арматура та контрольно вимірювальні прилади
- Повітровідвідники автоматичні для рідинних систем
- Переривачі вакууму
- Фільтри осадові сітчасті
- Дискові зворотні клапани
- Запірні вентилі
- Кульові крани для водяної пари
- Оглядові стекла для трубопроводів
- Манометри і термометри
- Манометричні голчасті вентилі, сифони і патрубки
- Шумоглушники / Дифузори
- Комплексні системи
- Обладнання для чистої пари та стерильних середовищ
-
- Обладнання для чистої пари та стерильних середовищ
- Генератори чистої пари
- Конденсатовідвідники для систем стерильної пари
- Регулюючі клапани для стерильних середовищ
- Регулятори тиску для стерильних середовищ
- Відцентрові та відбійні сепаратори для стерильної пари
- Фільтри кулінарні парові
- Фільтри стерильні парові
- Запобіжні клапани для стерильних середовищ
- Переривачі вакууму для стерильної пари
- Охолоджувачі відбору проб для стерильних середовищ
- Стерильні парові інжектори
- Система зволоження повітря з прямим вприскуванням пари для стерильних приміщень
- Вентиляційні головки для асептичних ємностей
- Гігієнічні трискладові кульові крани для стерильних середовищ
- Крани кульові трискладові високої чистоти для стерильних середовищ
- Оглядові стекла для стерильних трубопроводів
- Манометри для стерильних середовищ
- Повітровідвідники автоматичні для стерильних середовищ
Конденсатовідвідник поплавковий ADCA FLT17HC
Характеристики
Документація
Знято з виробництва
Перейти до каталогу Конденсатовідвідники поплавкові
Опис:
Конденсатовідвідники ADCA серії FLT17HC для підвищених витрат мають поплавковий механізм відведення конденсату і вбудованим термостатичним клапаном для випуску повітря і інших неконденсованих газів. Розроблені для систем середнього та високого тиску.
Типовим застосуванням для даного типу конденсатовідвідників є монтаж на теплообмінну обладнанні, ємностях з паровою сорочкою та інші застосування з безперервним відведенням конденсату.
Основні властивості:
- Постійне відведення конденсату.
- Конденсат відводиться при температурі насичення.
- Не піддається впливу різких змін навантажень і перепаду тиску.
- Вбудований термостатичний повітряний клапан для випуску повітря.
Опції:
SLR – Клапан для випуску парових заторів.
Штуцер для встановлення балансувальної (вентиляційної) або зливної трубки.
Робочі середовища:
Насичена і перегріта пара.
Модифікація:
FLT17HC - 4,5 , 10 або 14 - з корпусом з чавуну.
Типорозміри:
1” дюйм, 2” дюйма; DN 25, DN 50.
Приєднання:
Різьба внутрішня ISO 7 Rp або NPT.
Фланці EN 1092-2 PN 16.
Фланці ASME B16.42 Class 150.
Монтажне положення:
За замовчуванням на горизонтальному трубопроводі, напрямок потоку справа наліво – (R-L). див. інструкцію з монтажу та експлуатації.
Під замовлення: Встановлення на горизонтальному трубопроводі, напрямок потоку зліва направо (L-R), або вертикальному трубопроводі, напрямок потоку зверху вниз (V).
Маркування CЄ - Група 2 (Європейська директива PED)
|
Номінальний тиск |
Номінальні діаметри |
Категорія директиви |
|
PN 16 |
1”; DN 25 |
SEP |
|
2”; DN 50 |
1 (Маркування CE) |
Обмеження щодо застосування
|
Фланці PN16* |
Фланці Class 150** |
Розрахункова |
|
Допустимий тиск |
Допустимий тиск |
|
|
16 бар |
15,4 бар |
100 °С |
|
15,5 бар |
14,6 бар |
150 °С |
|
14,7 бар |
13,8 бар |
200 °С |
|
13,9 бар |
12,1 бар |
250 °С |
* Відповідно до EN1092–2:2018;
** Відповідно до EN 1759-1:2004;
Корпус розрахований на PN16 і нижче, в залежності від обраного типу приєднання.
Параметри PN16 дійсні також для різьбового приєднання.
Максимальні значення тисків та температур
|
Параметр |
FLT17HC |
|
PMO – Максимальний робочий тиск |
14 бар |
|
Максимальна температура робочого середовища |
198 °C |
Примітка: Застосування конденсатовідвідників FLT17HC обмежено PMO рівним ∆PMX.
Максимальний перепад тиску на конденсатовідвіднику
|
Модифікація |
FLT17HC-4,5 |
FLT17HC-10 |
FLT17HC-14 |
|
∆PMX - Максимальний |
4,5 бар |
10 бар |
14 бар |
Пропускна спроможність, кг/год
|
Мод. |
Розмір |
Перепад тиску, бар |
|||||||||||||||
|
0,1 |
0,3 |
0,5 |
0,7 |
1 |
1,5 |
2 |
3 |
4,5 |
6 |
7 |
8 |
9 |
10 |
12 |
14 |
||
|
FLT17HC-4,5 |
1”; |
420 |
690 |
900 |
1070 |
1250 |
1450 |
1700 |
2010 |
2400 |
— |
— |
— |
— |
— |
— |
— |
|
FLT17HC-10 |
1”; |
360 |
405 |
450 |
530 |
620 |
790 |
880 |
1100 |
1250 |
1500 |
1600 |
1700 |
1750 |
1800 |
— |
— |
|
FLT17HC-14 |
1”; |
270 |
310 |
340 |
395 |
435 |
530 |
600 |
610 |
850 |
990 |
1100 |
1190 |
1240 |
1300 |
1350 |
1380 |
|
FLT17HC-4,5 |
2”; |
2400 |
5900 |
7550 |
9050 |
11000 |
14000 |
15500 |
— |
22500 |
— |
— |
— |
— |
— |
— |
— |
|
FLT17HC-10 |
2”; |
1800 |
3000 |
3900 |
4450 |
5000 |
6100 |
7100 |
— |
10000 |
— |
13750 |
— |
— |
16000 |
— |
— |
|
FLT17HC-14 |
2”; |
900 |
1500 |
1900 |
2300 |
2700 |
3100 |
3600 |
— |
5000 |
— |
6900 |
— |
— |
8100 |
9000 |
9800 |


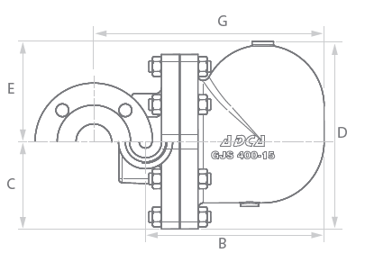
Габаритні розміри, мм
|
Різьба BSP або NPT |
Фланці PN 16 |
Фланці Class 150 |
||||||||||
|
Розмір |
A |
B |
C |
D |
E |
Маса, |
F |
G |
Маса, |
F |
G |
Маса, |
|
1”; DN 25 |
120 |
195 |
80 |
190 |
110 |
9 |
160 |
248 |
11,3 |
160 |
248 |
10,9 |


Габаритні розміри, мм
|
Різьба BSP або NPT |
Фланці PN 16 |
Фланці Class 150 |
||||||||||
|
Розмір |
A |
B |
C |
D |
E |
Маса, |
F |
G |
Маса, |
F |
G |
Маса, |
|
2”; DN 50 |
300 |
250 |
126 |
266 |
140 |
21,6 |
230 |
325 |
27,8 |
230 |
325 |
27,6 |


Специфікація матеріалів
|
Поз. Nº |
Деталь |
Матеріал |
Запчастини |
|
|
Розмір: 1”; DN 25 |
Розмір: 2”; DN 50 |
|||
|
1 |
Корпус |
GJS-400-15 / 0.7040 |
|
|
|
2 |
Кришка |
GJS-400-15 / 0.7040 |
|
|
|
3 |
Ущільнення кришки |
Нержавіюча сталь / Графіт |
X |
|
|
4 |
Сідло клапана |
AISI 410 / 1.4006 |
A351 CF8 / 1.4308 |
X |
|
5 |
Клапан |
AISI 440C / 1.4125 |
AISI 420 / 1.4021 |
X |
|
6 |
Важіль |
AISI 304 / 1.4301 |
X |
|
|
7 |
Поплавок |
AISI 304 / 1.4301 |
X |
|
|
8 |
Клапан випуску повітря |
Нержавіюча сталь (біметал) |
X |
|
|
9 |
Болти кришки |
Сталь 8.8 |
|
|
Доступні (під замовлення) запчастини позначені " X ".
Примітка: Поставлені запчастини і опції оплачуються додатково.



